微波射頻領域,系統的相位精度直接影響設備的整體性能。泰萊微波全新推出TLMPS-40G-50-S超寬帶手動可調移相器,憑借DC-40GHz全頻段覆蓋的硬核實力,搭配優異的相位調控能力與超高穩定性,精準破解高頻場景下的相位調控難點,為微波測試、衛星通信、前沿科研等領域提供兼顧帶寬、易用的解決方案。
核心指標
超寬頻覆蓋:突破帶寬限制,實現DC-40GHz全頻段無縫覆蓋,兼容性強。
高精度相位調控:50°/GHz寬幅移相量+1.2×f(GHz)高相位靈敏度,實現移相的精準調節;超低插損(僅2dB)、優異駐波指標(1.4-1.6),確保信號傳輸穩定。
實測曲線:
插損實測曲線:
最大移相實測曲線:
應用場景
微波測試測量領域:用于模擬和數字信號補償線纜相位誤差,提升測試精度。
衛星通信與5G毫米波領域:適配相控陣天線測試系統,高效解決多通道幅相一致性難題,為衛星通信鏈路穩定、5G毫米波技術落地提供關鍵相位調控支撐。
前沿科研領域:為高校射頻實驗室、科研院所提供低成本、易操作的相位調控工具,助力微波原理教學與前沿技術研究,如光頻梳等前沿科研應用。
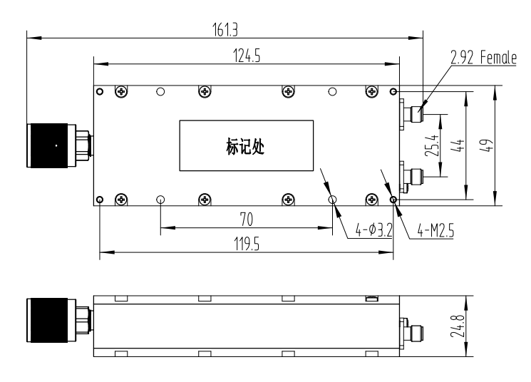
外形尺寸:
TLMPS-40G-50-S手動可調移相器,將超寬頻帶、精準相移與卓越性能融于一體,立即聯系我們,獲取超寬帶移相解決方案。




